
东莞某印刷公司成立于1988年,是一家以包装产品的开发、设计、印刷为核心的高新技术企业,中国优秀的高端奢侈品
纸包装供应商,名列中国印刷百强第九名。
历经20多年的积累与发展,现已成长为中国最具特色的创新型印艺企业,拥有大规模的数码印刷机群,充分满足不同消
费者对个性化印品的需求。
本次网络万兆核心建设项目旨在为企业办公网络及各应用系统提供网络支撑, 满足至少3-5年高速収展的网络连接需求,
新增万兆核心交换设备及优化调整现有网络架构,在东莞公司总部建设万兆核心网络系统。
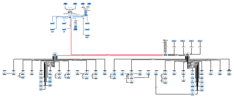
根据我公司实地现场考察,并根据招标方相关负责人的概述,将之结合整理得到如下的网络示意图:
现行网络示意图:

设计原则:
本项目计总体原则是建设一个先进的、灵活的、可靠的、基于标准的网络平台,使得能够基于这个平台,实现高速网络的价值,
并为今后满足新的业务需求而迅速推出新的业务打好基础。基于以上的建立目标,IP网络的设计原则为:
a.先进性:网络技术应为当期国际同业中先进的,并能支持未来网络技术的高性能需求,并且在业界表现出较高的网络性能;
b.安全性:能有效防止网络的非法访问,保护关键的数据不被非法窃取、篡改或泄漏,使数据具有极高的安全性;
c.可靠性:整个网络系统应具有很高的安全可靠性,必须满足7×24×365小时连续运行的要求。在通信故障发生时,网络设备
可以快速自动地切换到备份链路或设备上;
d.可用性:整个网络系统要按照实用、好用的原则,使网络具有较高的实用性;
e.时效性:网络要保证各类业务数据流的及时传输,网络时效性要强,网络延时要小,确证业务交易的实时高效完成;
f.完整性:网络系统应实现端到端的,能整合数据、语音和图象的多业务应用,需要实施安全策略、QoS策略、流量管理策略和
系统管理策略的完整的一体化网络;
g.成熟性:本网络系统需要整合包括TCP/IP,语音和图象及视频等多种网络技术,只有成熟的平台和解决方案并在国内的政府
用户成功使用才可以保证关键业务系统有一个可靠的运行,以有利于业务发展;
h.可扩展性:网络要具有面向未来的良好的伸缩性能,既能满足当前的需求,又能支持未来各种应用的扩展和与其它机构或部门
的连接等对网络的扩充性要求;
i.效益性:网络的投资应随网络的伸缩能够持续发挥作用,保护网络的投资,充分发挥网络投资的最大效益;
j.可管理性:网络要应用统一的网络管理平台实现对整个网络系统、设备、安全性、数据流量、性能等的监控和管理,并可方便
直观的进行远程管理和故障诊断。
k.可实施性:整个网络解决方案的实施要便于实际的实施,并在实施过程中要保证现有网络和切换的完整性和一致性,确保实施
工作的正常、顺利。
我们根据以上原则及与招标方的沟通,我们计划将网络系统升级并改造为如下结构图所示的网络系统:

1.2 网络设备简介
本次网络系统为已有网络系统升级万兆核心网络系统建设,本次网络系统建设将新设立由两台Cisco Nexus 9000交换机
组成的万兆网络核心,整理现行网络,并达到优化公司网络系统的目的。本次网络系统建设主要分为3部分:
1. 新建设核心交换机
次网络系统建设将新设立由两台Cisco Nexus 9000(简称N9K)交换机组成的万兆网络核心,N9K作为Cisco数据中心级
交换机的新旗舰,性能卓越,本次招标选用的Nexus 9504交换机更具有很高的经济效益,可谓是性价比极高的选择。
2. 新增设汇聚层交换机
新增万兆核心交换机确实能提升整个网络系统的性能,但却并未能很好的整理网络系统构建,所有接入层交换机,无论是办公
或是生产还有HP的服务器均甚至间接连入核心,网络系统仍旧是相对混乱,本次招标中的汇聚层交换机正好能将网络系统整理清晰。
本次招标新增一台万兆数据中心级汇聚层交换机Cisco Nexus 9300(简称N93)交换机,设置在C#3F影像数据机房,用于连接影像
数据机房的服务器,亦可用于以后影像数据机房增设万兆服务器使用;
新增2台千兆数据中心级汇聚层交换机Cisco Nexus 3000(简称N3K),分别设置在C#1F和C#2F HP机房,用于高速连接HP机房的
服务器;
新增2台全千兆园区网3层汇聚层交换机Cisco Catalyst 3850(简称3850)交换机,一台设置在C#2F网络核心机房,用于汇聚C#
和部分B#的接入层交换机;一台设置在A#2F网络核心机房,用于汇聚A#和部分B#的接入层交换机;
3. 替换接入层交换机
本次招标的新购买的千兆接入层Cisco Catalyst 2960(简称2960)交换机用于替换现有的接入层交换机,现网中的的接入层交换机
大多都是Cisco Catalyst 2950交换机,采购时间较早,服役时间也较长,已经超出使用寿命年限,设备性能较低,故障率较高,应当替换。
1.3 网络结构设计
本次网络结构由两台N9K组成的高性能核心,除了高性能以外,N9K可以实现网络虚拟化,可组建VPC Domain,实现汇聚层交换机
由VPC分别上联到两台核心交换机。
结构的优势所在:
• 高可靠性:两台核心交换机之间冗余备份,同时利用跨设备的VPC实现跨设备的链路冗余备份。
• 强大的网络扩展能力:通过组建VPC,可以在不改变网络拓扑的情况下,轻松地扩展网络系统。
• 多台设备间冗余、备份,提高系统的可靠性。
VPC
VPC即VirtualPortChannel(虚拟端口聚合),在思科vPC 之前,思科 PortChannel 通常必须在单个物理交换机上终止。思科 vPC 为
设备提供主用 - 主用转发路径。由于两台 Cisco Nexus 交换机之间的特殊对等关系,生成树看不到任何环路,使所有链路都处于活动
状态。对于连接的设备,连接显示为正常的思科 PortChannel 接口,不需要特殊配置。行业标准术语称为“多机箱 EtherChannel”;
VPC构架如下所示:

在本次网络结构设计中,网络系统并非非常的庞大,不需要完全使用上图所示的完整构架,只需使用其中简单的VPC构架,使用单一的
VPC Domain即可实现VPC的功能,如下图所示:

VPC的优势:
VPC主要的两大优势就是多机箱 EtherChannel和防止二层环路。
N9K支持的跨设备链路聚合VPC技术,可以将不同成员交换机上的物理以太端口配置成一个聚合端口。这样即使某台成员交换机故障
或聚合链路其中一条链路出现故障,也不会导致聚合链路完全失效,从而保证了数据流量的可靠传输,不但解决了堆叠设备单点失效
的问题,还极大提高了全网的可靠性。
如图所示,流向网络核心的流量均匀分布在聚合链路上,当其中一条链路失效时,跨设备链路聚合技术能够将流量自动重新分布到其余
聚合链路以实现链路备份,从而提高网络可靠性。

VPC接口会通过HASH算法选择转发出接口,从而进入核心的流量很可能会跨设备转发。此时,可以通过流量本地转发功能解决此问题,
即从本设备进入的流量,优先从本设备的出接口转发出去;如果本设备的出接口故障,则流量从其它成员交换机的接口转发出去。
在二层网络设计中,如何防止环路一直是由生成树去解决,但是生成树有它的固有缺陷,即必须有一段收敛时间,如何克服这个缺陷
成为了一个难题。
而下图中的 vPC描绘了在传统拓扑中,这些设计使第 2 层-第 3 层边界位于汇聚层,以实现更大的第 2 层可达性,但是所有链路都
处于活动状态,两台核心交换机在下联交换机看来,为同一逻辑交换机,也只接到的一份BPDU,因此不认为有环路存在,因为生成
树看不见任何要阻止的链路。从而有效的减少生成树收敛带来的有可能网络中断故障。

1.4 VLAN及IP地址设计
由于本项目为网络改造项目,招标方已建有网络系统,因此本次网络设计中的VLAN及IP地址将尽量使用原有的VLANID及IP地址编排,
但是个别VLAN和IP地址规划可能需要重新规划:
本次设计的VLAN都将使用基于交换机端口的VLAN,对于需要新建的VLAN,我们将按照往后扩展的方式向后新增VLAN ID,不使用
之前使用过的VLAN ID范围内的VLAN ID,VTP模式全部采用采用透明模式,手工创建VLAN,不是用VTP自动获取VLAN信息,这主
要是基于网络稳定性考虑。
对于需要使用的新IP地址段,将与招标方讨论后使用未分配的IP地址段;对于在可能出现的同一VLAN中存在多段IP地址的情况,可以
设置secondIP在同一个VLAN中使用。
1.5 DHCP设计
本次投标中使用的核心交换机N9K并不具有作为DHCP服务器的功能,仅能作为DHCP中继,在经过与招标方的沟通得知,目前招标
方网络系统中的IP地址大多都是固定手动分派的地址,如若后期需要设置DHCP自动获取地址,建议使用Windows Sever搭建HDCP
服务器,由核心交换机中继。
1.6 生成树设计
本方案虽使用VPC减小了生成树对网络系统的影响,但并非完全取消不使用生成树,生成树作为二层网络放环的重要手段不能不设置,
否则可能不经意间的误操作引起的网络环路将对整个网络系统造成一些不必要的影响。
本次生成树所设计的交换机均为Cisco交换机,都能执行PVST+协议,因此本次生成树模式设计建议全部使用PVST+生成树。
将核心交换机的设置根保护,以使得核心一直处于生成树根的状态,并建议手动设置根优先级为4096;汇聚层交换机根优先级设置为
20480;接入层交换机的根优先级保持默认即32768。
1.7 路由设计
新建设的网络系统的可能会使用动态路由器RIP,我们建议不再使用RIP这种动态路由器协议,可改有OSFP或EIGPR替代;无论从使用
范围,使用场景,收敛速度,安全性等方面考虑,OSFP或EIGPR相比RIP都有过之而无不及。对于内部网络可以使用部分静态路由以
增强网络系统的稳定性。
对于汇聚层与核心层之间的链路,建议采用二层网络设计,三层设计,三层设计不但不能体现核心交换机高性能的价值,反而让整个
网络系统变得更加的负责;建议所有网关均设置在核心交换机上。




































